孔板流量计安装与使用
发布时间:2020-06-28 09:40来源:字体: 大 中 小
一、孔板流量计安装要求
孔板流量计的安装和适用于下列管段和管件有关节流件上游侧第一阻力件、第二阻力件,节流件下右侧第一阻力件,从节流件上游第二阻力件到下游第一阻力件之间的管段以及差压讯号管路等。
二、孔板流量计安装管道条件
1、节流件前后的直管段必须是直的,不得有肉眼可见的弯曲。
2、安装节流件用得直管段应该是光滑的,如不光滑,流量系数应乘以粗糙度修正 稀疏。
3、为保证流体的流动在节流件前1D出形成充分发展的紊流速度分布,而且使这 种分布成均匀的轴对称形
(1)直管段必须是圆的,而且对节流件前2D范围,其圆度要求其甚为严格,并且 有一定的圆度指标。具体衡量方法:
(A)节流件前OD, D/2, D, 2D4个垂直管截面上,以大至相等的角距离 至少分别测量4个管道内径单测值,取平均值D。任意内径单测量值 与平均值之差不得超过±0.3%
(B)在节流件后,在OD和2D位置用上述方法测得8个内径单测值,任 意单测值与D比较,其最大偏差不得超过±2%
(2)节流件前后要求一段足够长的直管段,这段足够长的直管段和节流件前的局部 阻力件形式有关和直径比B有关,见表1 (B=d/D,d为孔板开孔直径,D为管 道内径)。
(3)节流件上游侧第一阻力件和第二阻力件之间的直管段长度可按第二阻力件的形 式和B=0。7 (不论实际6值是多少)取表一所列数值的1/2
(4)节流件上游侧为敞开空间或直径N2D大容器时,则敞开空间或大容器与节流件 之间的直管长不得小于30D (15D)0若节流件和敞开空间或大容器之间尚有其 它局部阻力件时,则除在节流件与局部阻力件之间设有附合表1上规定的最小直管段长1外,从敞开空间到节流件之间的直管段总长也不得小于30D(15D)。

三、孔板流量计安装方式
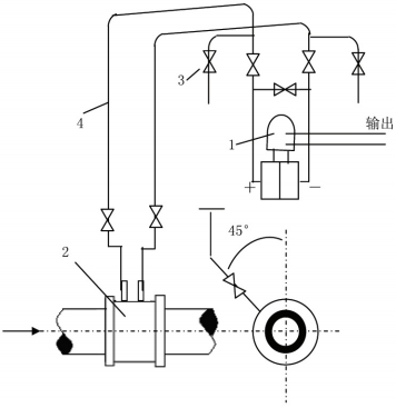
1、孔板流量计测量液体

测量液体流量时工艺管道水平安装,差压变送器的位置 处于节流装置下方时,取压口应在节流装置的水平中心 轴线下偏45°角引出,这可以消样除由流体传放出的气体进入导压管和差压变送器。若差压变送器处于节流装置的上方时,除取压口下偏<45°角然后向 上引导压管外,应在导压管 上的最高点装置集器或排气阀。
2、测量水蒸汽

测量蒸汽流量时,安装方式一般为差压变送器低于、高于节流装置两种。取压口位置应附合上述安装要求,并在导压管制高点处装上放气阀和气体收集器。
3、测量气体

测量介质为清洁的气体流量时,安装方式一般为差压变送器高于、低于节流装置两种取压口位置应符合上述安装要求,当差压变送器低于节流 装置时,导压管必须向下弯至差压变送器,并在最低处装置放水阀和沉积器。
返回
标签:标准孔板流量计,一体化孔板流量计,孔板流量计