168飞艇开奖官网开奖记录查询结果

天信仪表电话0517-86908060
全部类别
防爆超声波液位计
发布时间:2021-05-11 17:18来源:字体:
一、防爆超声波液位计概述
防爆超声波液位计可采用二线制或四线制技术,二线制为:供电与信号输出共用;四线制为:当采用交流220V供电时,或者当采用直流24V供电,要求供电回路与信号输出回路完全隔离时,应使用一根4芯电缆线。直流或交流供电,具有4~20mA模拟量信号远传,高低位开关量输出。
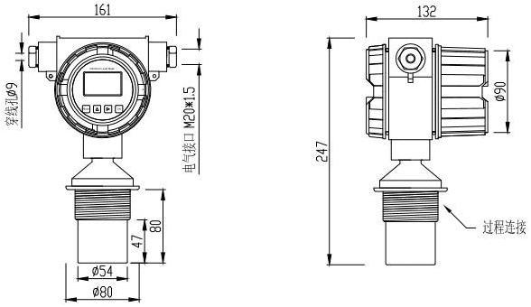
二、防爆超声波液位计结构

三、防爆超声波液位计特点
1、采用压铸铝合金防水、防爆外壳;防护等级IP67;
2、可显示液位、距离、回波波形、历史曲线;
3、自动检测现场电气干优,并进行千扰抑制;
4、内部集成温度传感器,实时对声速进行温度补偿;
5、提供报警电流输出,可防止液位进入盲区或超出量程;
6、自带4~20mA电流模拟、液位模拟等功能;
7、自带按键,可现场进行参数设置;也可通过RS48S进行远程参数设置;
8、可选择中、英文显示.也可选择米、英尺;
9、所有输入、输出线都有过压、过流保护;
10、非接触测量,寿命长;
四、防爆超声波液位计参数
测量范围:0~15m(根据实测量程选定)
盲    区:0.45m~0.6m
测距精度:0.2%(标准条件)
测距分辨率:1mm
压    力:常压
仪表显示:自带LCD显示
模拟输出:4~20mA
供电电压:DC24V或AC220V
环境温度:-20~60℃
防护等级:IP65
五、防爆超声波液位计安装

1、安装原则
(1)探头发射面到最低液位的距离,应小于选购仪表的量程。
(2)探头发射面到最高液位的距离,应大于选购仪表的盲区。
(3)探头的发射面应该与液体表面保持平行。
(4)探头的安装位置应尽量避开正下方进、出料口等液面剧烈波动的位置。
(5)若池壁或罐壁不光滑,仪表安装位置需离开池壁或罐壁0.5m以上。
(6)若探头发射面到最高液位的距离小于选购仪表的盲区,需加装延伸管,延伸管管径大于120mm,长度0.45m~0.60m,垂直安装,内壁光滑,罐上开孔应大于延伸管内径。或者将管子通至罐底,管径大于100mm,管底留孔保持延伸管内液面与罐内等高。
2、安装注意事项
(1)仪表在室外安装建议加装遮阳板以延长仪表使用寿命。
(2)电线、电缆保护管,要注意密封防止积水。
(3)仪表虽然自身带有防雷器件,但仪表在多雷地区使用时,建议在仪表的进出线端另外安装专用的防雷装置。
(4)仪表在特别炎热、寒冷的地方使用,即周围环境温度有可能超出仪表的工作要求时,建议在液位仪周围加设防高、低温装置。 返回
标签:防爆超声波液位计,超声波液位计
168飞艇开奖官网开奖记录查询结果