168飞艇开奖官网开奖记录查询结果

天信仪表电话0517-86908060
全部类别
磁助电接点压力表
发布时间:2021-02-25 18:12来源:字体:
一、磁助电接点压力表概述
磁助电接点压力表广泛应用于石油、化工、冶金、电站等工业部门或机电设 备配套中测量无爆炸危险地各种流体介质的压力。通常,仪表经与相应的电气器件(如继电器及接触器等)配套使用,即可对被测(控)压力系统实现自动控制和发信(报警)的目的。
磁助电接点压力表不仅具有设计新颖、结构可靠、品种齐全、动作稳定性好、 适应性强的特点外。而且又具有测控并茂、安装简单、维护量小等优点,因此, 它是一般无指示、无切换差调整和无外设定装置的压力控制器所无可比拟的压力测控仪表。
二、磁助电接点压力表结构原理
磁助电接点压力表由测量系统、指示装置、磁动电接点装置、外壳、调整装置和接线盒(插头座)等组成。
磁助电接点压力表的工作原理是基于测量系统中的弹簧管在被测介质的压力作用下,迫使弹簧管之末端产生相应的弹性变形-位移,借助拉杆经齿轮传动机构的传动并予放大,由固定于齿轮轴上的指示指针(连同触头)逐将被测值在度盘上指示出来。与此同时,当其与设定指针上的触头(上限或下限)相接触(动断或动合)的瞬时,致使控制系统中的电路得以断开或接通,以达到自动控制和发信报警的目的。
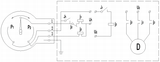
三、电气线路连接示意图

四、主要技术指标
返回
标签:压力表,磁助电接点压力表,电接点压力表
168飞艇开奖官网开奖记录查询结果