
一、压力变送器概述
智能数显压力变送器是我公司推出的一款高稳定性的智能化数显变送器产品,适用于压力实时测量和显示。采用专用传感器调理电路,结合国际先进的压阻式压力变送器设计制造技术,同时可输出符合标准MODBUS-RTU协议的压力和温度信号。应用于环境比较恶劣的露天现场,同时要求能够现场观测压力显示、需要零点迁移和量程调节的场合。适用于石油、化工、冶金、电力、轻工、纺织、建材、水文地质、食品、医药、环境控制等行业的过程控制和压力测量。
二、压力变送器主要技术指标
测量范围:-100kPa…0kPa~10kPa…100MPa
压力类型:表压、绝压、密封表压
过 压:1.5倍满量程压力/ 110MPa(取最小值)
精 度:±0.5%FS
长期稳定性:±0.3%FS/年
零点温度误差:≤±0.04%FS/℃ (≤100kPa) ;≤±0.03%FS/℃ (>100kPa)
满度温度误差:≤±0.04%FS/℃ (≤100kPa) ;≤±0.03%FS/℃ (>100kPa)
输出信号:RS485接口(MODBUS-RTU协议)
额定工作温度: -10℃~60℃
测温误差:±2℃(温度功能为选配)
极限工作温度: -30℃~85℃
贮存温度: -40℃~85℃
供电电源: 9V~28V DC
显示方式: 4位0.36``数码管
显示范围: -1999 ~ 9999
绝缘电阻: 100V,100M
振 动: 5g,10Hz~200Hz
冲 击: 20g,11ms
防护等级: IP65
重 量: 约900g
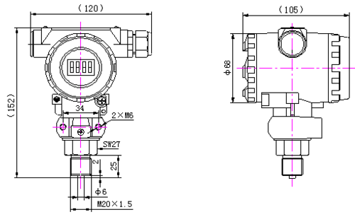
三、压力变送器外形结构

四、压力变送器选型
Copyright © 2018 168飞艇开奖官网开奖记录查询结果 All right reserved备案号:苏ICP备81582668号-3

