小屏无纸记录仪
发布时间:2020-06-28 14:46来源:字体: 大 中 小
一、小屏无纸记录仪技术指标
1、屏幕:128*64点阵蓝屏液晶显示器(LCD)
2、精度:实时显示:±0.2% F.S.;追忆精度:±0.2% F.S.
3、处理器:采用高性能的ARM Cortex-M3 32位的RISC内核,可同时实现多路信号采集、记录、显示和多路报警
4、存储模块:采用大容量并行NAND FLASH闪存芯片存贮历史数据,采用串行FRAM存储芯片存贮系统配置参数等关键信息
5、输入规格:全隔离万能输入,最大支持4路模拟量输入+1路频率输入
6、输入功能:
(1)电压输入:0-5V、1-5V、0-20mV、0-100mV
(2)电流输入:0-10mA、4-20mA,(0-20mA输入需在订货时注明)
(3)电阻输入:Res
(4)频率输入:频率信号(PI)(频率范围:0.5-5000HZ,最大频率范围可定制)
(5)热电阻:PT100、Cu50、G53、Cu100、BA1、BA2(要求三线电阻平衡,引线电阻<10Ω)
(6)热电偶:S、B、K、T、R、E、N、J
(7)辐射高温计:F1、F2
(8)钨铼:WRe3-25、WRe5-26
7、输出功能:
(1)配电输出:变送器集中配电+24VDC,标准配电<30mA(最大负载能力可定制),支持多种规格集中配电(如12VDC、5VDC配电输出)
(2)变送输出:最多支持2路通道的4-20mA标准电流变送输出,负载能力750Ω(最大),方便了显示仪表或DCS/PLC的采集,实现了信号的长距离传输
(3)继电器报警输出:最多支持4路继电器报警输出,触点容量3A@220VAC/1A@30VDC,可组态上上限、上限、下限、下下限报警
8、通讯打印:
(1)通讯接口:RS232C或RS485,支持Modbus RTU协议,波特率----(1200、2400、9600、19200、38400、57600)
(2)打印接口:RS232C直接连接微型打印机,波特率1200
9、记录功能:
(1)记录容量:64/128/192/248MB(FLASH容量可选择);
(2)记录间隔:1秒至240秒,共分11档:1/2/4/8/12/24/36/60/120/180/240秒可选;
(3)记录时间:记录时间的长短与FLASH存储器容量、输入点数、记录间隔有关,计算公式如下(代入数值的单位要与公式中一致):
10、数据转存:数据备份和转存:支持USB 1.1 、2.0 优盘,支持1G到16G的U盘进行数据转存,兼容性强,可兼容市面上绝大多数的U盘(推荐使用工业版优盘)
11、供电电源:220VAC,50HZ交流电源供电,支持24VDC(22VDC-28VDC)直流电源供电,支持12VDC(11.2VDC-16VDC)直流电源供电
12、保护功能:
(1)断电保护:内置存储器保护参数和历史数据,断电后永久保存
(2)时钟保护:集成硬件时钟,掉电后也能准确运行
13、误差精度:
(1)热电偶冷端补偿误差:±2℃
(2)时钟误差:±2 秒/天
14、工作环境:
(1)环境温度:0~50℃(避免日光直晒)
(2)环境湿度:0~85%R.H(无凝结)
15、仪表净重:净重:≤1.0Kg
二、小屏无纸记录仪安装接线
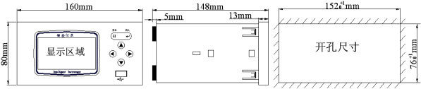
1、仪表尺寸

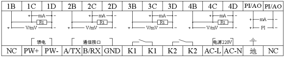
2、端子接线

3、交/直流电源输入接线

4、输入/输出信号接线

5、变送器接线

6、继电器触点输出接线
三、小屏无纸记录仪使用及运行
1、键盘功能

2、使用模式
返回