数显压力变送器
发布时间:2020-07-09 08:38来源:字体: 大 中 小
一、数显压力变送器产品概述
数显压力变送器适用于压力实时测量和显示。采用专用传感器调理电路,结合压阻式压力变送器设计制造技术,同时可输出符合标准MODBUS-RTU协议的压力和温度信号。应用于环境比较恶劣的露天现场,同时要求能够现场观测压力显示、需要零点迁移和量程调节的场合。适用于石油、化工、冶金、电力、轻工、纺织、建材、水文地质、食品、医药、环境控制等行业的过程控制和压力测量。
二、数显压力变送器产品特点
1、RS485通信接口(标准MODBUS-RTU协议);
2、支持组网应用;
3、可软件或按键调校,灵活方便;
4、参数分类密码管理,安全可靠;
5、输出一致性好、可替换性强;
6、零点可迁移,量程可调节;
7、电子壳体为铝合金材料,外壳防护等级IP65;
8、特殊要求可定做,适应各种场合应用;
三、数显压力变送器性能指标
1、测量范围:-100kPa…0kPa~10kPa…100MPa
2、压力类型:表压、绝压、密封表压
3、过 压:1.5倍满量程压力/ 110MPa(取最小值)
4、精 度:±0.5%FS
5、长期稳定性:±0.3%FS/年
6、零点温度误差:≤±0.04%FS/℃(≤100kPa);≤±0.03%FS/℃(>100kPa)
7、满度温度误差: ≤±0.04%FS/℃(≤100kPa);≤±0.03%FS/℃(>100kPa)
8、输出信号:RS485接口(MODBUS-RTU协议)
9、额定工作温度:-10℃~60℃
10、测温误差:±2℃(温度功能为选配)
11、极限工作温度:-30℃~85℃
12、贮存温度:-40℃~85℃
13、供电电源: 9V~28V DC
14、显示方式: 4位0.36``数码管
15、显示范围: -1999 ~ 9999
16、绝缘电阻: 100V,100M
17、振 动: 5g,10Hz~200Hz
18、冲 击: 20g,11ms
19、防护等级: IP65
20、重 量: 约900g
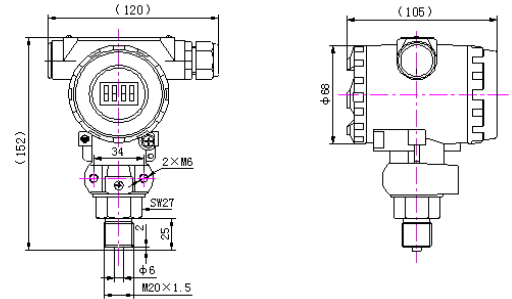
四、外形结构及电气连接
1、外形尺寸

2、电气连接
五、选型指南
返回