气体腰轮流量计
发布时间:2020-09-19 10:59来源:字体: 大 中 小
一、气体腰轮流量计产品概述
气体腰轮流量计是一种高精度、高可靠、宽范围度、低始动流量的容积式气体计量仪表,可直接测量气体的工况体积流量和总量,也可通过配置体积修正仪,测量气体的温度、压力、标况体积流量和总量,可选配DTU模块,实现无线远传。已大量应用于城市燃气和工业气体流量计量与检测,是用户实现高精度、高可靠计量的理想仪表。
二、气体腰轮流量计产品特点
1、精确度高,重复性好。内部转子经精密加工和平衡测试,无接触旋转,良好的油润滑,确保流量计精度不变,工作寿命长。
2、流量计前后不需要直管段,可以安装在环境狭窄的场合。
3、始动流量小,量程比宽,适合于计量符合变动大的气体流量。
4、计量精确度不受压力和流量变化的影响,性能稳定,寿命长。
5、通用性好,所有腰轮流量传感器均可使用通用的附件。
5、配置 RS-485 通讯接口和 IC 卡专用信号集中器配套,并可通过 GPRS/CDMA、internet、电话网络组成远程数据采集机监控系统,便于数据的集中采集和实 时管理。
6、电路采用表贴安装工艺,结构紧凑、抗干扰能力强、可靠性高。
7、采用高性能微处理器和现代数字滤波技术,软件功能强大,性能优越。
8、采用浮点运算和五段仪表系数自动修正,并有故障自诊断和报警功能。
9、采用微功耗高新技术,内、外电源供电工作,整机功耗低,仅凭一节3.6VDC锂电池供电,可连续工作五年以上。
10、就显示流量值,并带多种信号输出功能。
11、采用高对比度的液晶显示器,可显示标准累积流量、标准体积流量、工况体积流量百分值、介质温度、压力值和电池用量百分量,并带中文提示符。
12、具有实时数据存储功能,防爆标志为 ExibllCT4 gb。
13、流量计外壳保护等级为 IP65。
三、气体罗茨流量计性能指标
1、气体腰轮流量计结构
气体腰轮流量计有5个部分组成,分别为:1、本安型体积修正仪;2、流量传感器;3、压力传感器;4、温度传感器;5、气体罗茨流量计(机械)

2、气体腰轮流量计工作原理
气体腰轮流量计主要由壳体、共轭转子、计数器和智能流量转换器等部件构成。装于计量室内的一对共轭转子在流通气体的出入口压差 (P 入>P 出)作用下,通过精密加工的调校齿轮使转子保持正确的相对位置。转 子间、转子与壳体、转子与墙板间保持最佳工作间隙,实现了连续的无接触密封。转子每转动一周,则输出四倍计量室有效容积的气体,转子的转数通过磁性密封联轴装置及减速机构,传递到智能流量转换器,从而显示输出气体的累计体积量。
3、气体腰轮流量计基本参数

4、气体腰轮流量计流量范围
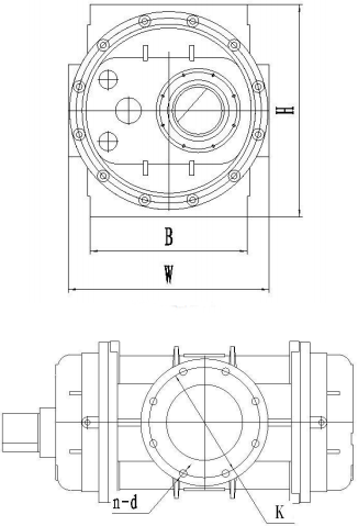
四、气体腰轮流量计外形尺寸
1、外形尺寸图

2、安装尺寸
五、气体腰轮流量计选型
返回