金属管浮子流量计
发布时间:2020-07-01 14:29来源:字体: 大 中 小
一、金属管浮子流量计概述
金属管浮子流量计适用于测量液体、气体。在测量管的设计上针对不同的管道条件、特殊流体的测量要求,配置了多种结构型式的测量管,如保温夹套型、带阻尼器型等。除了标准的可选外,还可以为用户进行特殊设计,如高压型、高温型等,最大限度的满足用户的要求。
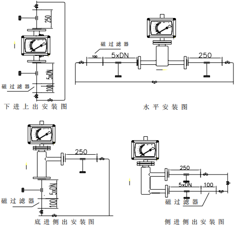
金属管浮子流量计的设计制作还考虑了用户工艺流向要求,有下进上出安装型、上进下出安装型、侧进侧出安装型、底进侧出安装型、水平安装型等安装方式可选。
金属管浮子流量计在指示器的设计上可以为各种应用场合提供可靠适用的功能组合。如现场指针指示,LCD 显示瞬时和累积流量等,在指示器供电选择方面有电池供电、24VDC 供电、220VAC 供电, 方便用户现场情况进行选择。LZ 型系列金属管浮子流量计,以其结构简单,使用寿命长、线性刻度、可用于测量液体和气体等优点而得到广泛应用,如石油、化工、发电厂、食品工业、制药工业、水处理工业以及其它工业领域。
二、金属管浮子流量计参数
1、测量范围
水:2.5-150,000L/h
空气:0.07-3000m³/h
2、量程比:10:1;5:1
3、精度等级:1.5;2.5
4、仪表口径:DN15~DN150
5、法兰连接:DN15-DN50/PN4.0;DN80-DN150/PN1.6
6、法兰标准:GB/T9119-2000
7、保温夹套管:Φ20
8、特殊类型:高压型、螺纹型和其他特殊型
9、介质粘度:DN15≤5mPa.s;DN25~DN150≤250mPa.s
10、介质温度
标准型:-80~200℃
防腐型(衬氟):0~85℃
高温型:-80~300℃
11、环境温度:-25~60℃
12、防护等级:IP65
13、电信号输出
输出信号:4~20mA(两线制)
线性度:1%
温度影响:0.5%/10℃
电气接口:M20×1.5 标准型
供电电源:24V DC
电源消耗:≤3W
14、触点容量3A/220V
15、防爆等级:ExibⅡCT5;ExdⅡBT5
三、金属管浮子流量计流量表
四、金属管浮子流量计外形尺寸及安装方式
1、外形尺寸

2、安装方式
五、金属管浮子流量计选型型谱
返回
标签:防腐金属管浮子流量计,远传金属管浮子流量计,金属管浮子流量计