168飞艇开奖官网开奖记录查询结果

天信仪表电话0517-86908060
全部类别
腰轮流量计
发布时间:2020-08-01 14:51来源:字体:
一、腰轮流量计概述
腰轮流量计是用于对管道中流量进行连续或间歇测量的高精度计量仪表。它具有精度高、可靠性好、重量轻、寿命长、安装使用方便等特点,是容积式流量计的典型特点。
腰轮流量计主要由计量腔、密封联轴器和计数器三部分组成。可现场指示累积流量和瞬时流量,配以发信器及流量智能控制仪,可实现远距离测量和控制。广泛用于石油、化工、电力、冶金、交通、食品加工、医药、国防、商业贸易等部门对石油及石油制品、化学溶液等流体的精确测量。
二、腰轮流量计工作原理
当被测液体流经计量室时,在流量计的进出口形成 压差,腰轮在此压差的推动下旋转。同时通过固定在腰轮轴上的一对驱动齿轮,使两个腰轮保持连续旋转。随着腰轮的转动,液体经由计量室被不断排出流量计。每对流过的液体量是计量室容积的四倍,通过密封联轴器、减速机构,将旋转次数减速后传递到计数器,计数器即指示液体瞬时流量和累积流量。
在计数器机构中安装发信器即成了带发信器的腰轮流量计。与显示仪表或微机系统配套,可实现远传(定量、累积、瞬时等功能)自动化测量和控制。
三、腰轮流量计技术参数
1、公称压力:0.6、1.0、1.6、2.5、4.0MPa
2、工作温度:-10~60℃
3、精度等级:0.5、0.2
4、流量范围:m3/h

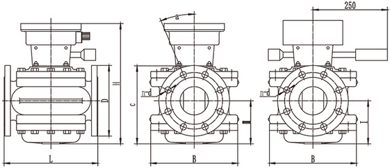
四、腰轮流量计外形及安装尺寸

1、铸铁型腰轮流量计外形尺寸

2、铸钢型腰轮流量计外形尺寸

五、腰轮流量计的安装使用
1、流量计前应安装过滤器,两者表体上箭头指向与流动方向一致。
2、当被测液体含有气体时,流量计前应安装气体分离器。
3、不论管路是垂直还是水平安装,但流量计的腰轮轴安装成水平位置(即表度盘应与地面垂直)。
4、流量计在正确安装情况下,如果不易看清读数,可把计数器旋转180度或90度均可。
5、节流阀应安装在流量计进口处,开闭阀装在出口处,使用开闭阀时要缓慢启动,不要突然开阀。
6、 严禁使用扫线蒸汽通过流量计。
7、在连续使用部位,腰轮流量计需加旁通管道。
8、流量计安装前,管道需冲洗,冲洗时采用直管段(替代流量计位置)防止焊渣、杂物等进入流量计。
9、严禁用水校验铸铁、铸钢材质组成的流量计。
10、流量计在使用时流量大小不得超过技术要求。流量计正常工作在最大流量70~80%为优。
11、被测液体如果具有化学腐蚀性,需选用不锈钢材质的流量计,如果腐蚀性强,需选用0Crl8Ni12MO2Ti材质的流量计。
六、腰轮流量计选型型谱
返回
标签:液体腰轮流量计,腰轮流量计
168飞艇开奖官网开奖记录查询结果